Multi-rate 10G Ethernet PHYs deliver low-latency
Aeonsemi has launched its ChronoPHY™ series of high-performance, low-latency physical layer Ethernet transceivers.
The ground up architecture of these Ethernet transceivers is designed to meet the bandwidth, synchronization, latency, and robustness requirements of modern networks that enable emerging real-time collaboration, immersive augmented and virtual reality applications. Leveraging an advanced DSP and timing architecture, these transceivers can achieve sub-nanosecond network synchronization accuracy and determinism, surpassing competing solutions by over 10 times with great power efficiency. The PHYs also integrate a SyncE jitter filtering PLL function, ensuring reliable link performance and simplified signal integrity design without the need for additional external components.
“High resolution video transmission, streaming, gaming, and AR/VR applications are fueling the demand for faster, lower-latency, and more deterministic networks,” said Yunteng Huang, CEO of Aeonsemi. “With the roll out of WiFi-6, WiFi-7 and 10G broadband access into homes and businesses, the residential and enterprise LAN infrastructure is rapidly upgrading to support multi-gigabit capabilities. The ChronoPHY™ Ethernet PY family is specifically positioned to facilitate the adoption of these faster networks, making the convenience and efficiency improvement accessible to everyone across the economic spectrum.”
The ChronoPHY™ series is designed on TSMC’s advanced process node and employs an efficient frequency domain digital signal processing system architecture. This enables the PHYs to achieve the industry-leading cable reach and interference immunity, ensuring robust and reliable performance.
Compliant with IEEE802.3 and IEEE1588 standards, the ChronoPHY™ series is specified over the industrial temperature range of –40C to +85C with single port options housed in 7- x 7-mm and 11- x 1-1mm BGA packages. Samples and evaluation kits are available now with production to start in September.
ChronoPHY™ Ethernet transceiver highlights include:
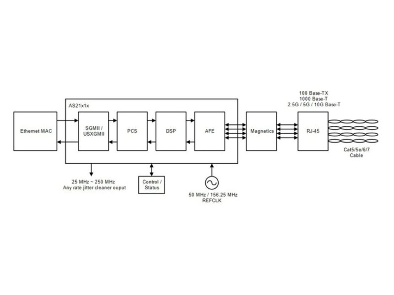
- 10GBase-T, 5GBase-T, 2.5GBase-T, 1000Base-T, and 100Base-TX.
- IEEE802.3an/802.3bz/802.3ab/802.3u compliant.
- IEEE1588 network synchronization with integrated timing functions.
- 1ns PTP time stamping resolution.
- Flexible reference input clock of 50 MHz or 156.25 MHz.
- Any rate fractional frequency SyncE output clock: 25 MHz to 250 MHz.
If you enjoyed this article, you will like the following ones: don't miss them by subscribing to :
eeNews on Google News
