Optimiser les paramètres SWaP dans les chaînes de signaux RF hautes performances
Cette publication existe aussi en Français
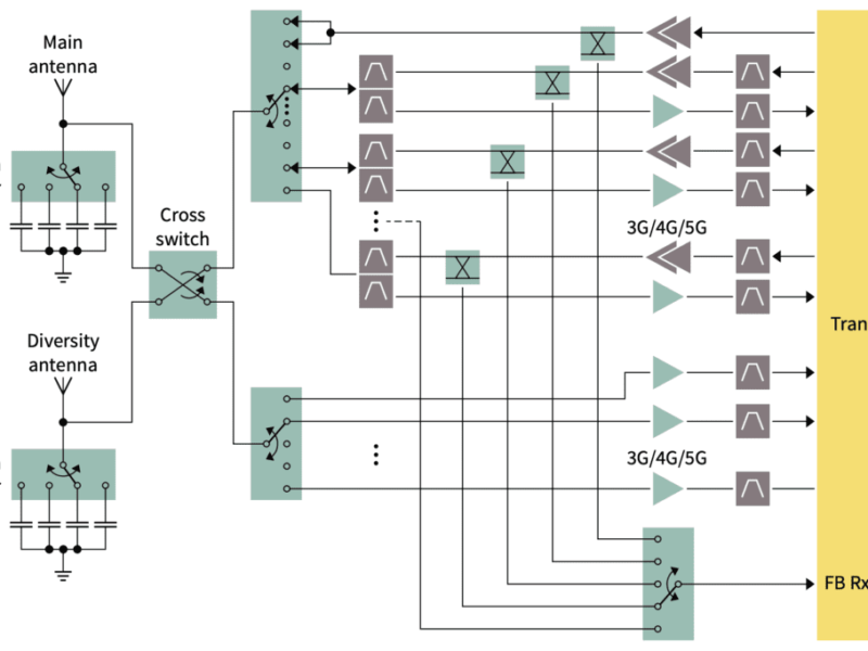
La demande en matière de connectivité sans fil hautes performances continue d’augmenter dans un éventail de plus en plus large d’applications, qu’il s’agisse de smartphones, d’ordinateurs portables, de tablettes, de dispositifs corporels, de drones, de points d’accès ou d’appareils compatibles avec la maison intelligente et l’Internet des objets (IoT). Pour les concepteurs de ces dispositifs, un facteur de différenciation essentiel est l’expérience de l’utilisateur final, qui est en grande partie déterminée par la qualité, le débit et la fiabilité du signal sans fil, ainsi que par l’autonomie des batteries. La taille et le poids des dispositifs sont également des facteurs de différenciation importants, en particulier pour les dispositifs corporels. Pour les concepteurs, l’optimisation de ces paramètres nécessite un examen attentif de tous les aspects de la chaîne de signaux radiofréquences (RF), ce qui peut constituer un défi de taille pour les experts comme pour les novices en matière de RF.
Avertissement : en cliquant sur ce bouton, vous acceptez que vos données soient communiquées à cette société. Si vous ne souhaitez pas que nous communiquions vos données, veuillez mettre à jour vos coordonnées dans votre profil.
If you enjoyed this article, you will like the following ones: don't miss them by subscribing to :
eeNews on Google News
